1# 10KV 微机配电系统实训柜
说明书
实验设备使用注意事项
为了提高教学质量,保证实验顺利进行,实验时应注意以下几点:
l、每次实验前必须详细了解实验仪器的操作步骤及使用方法。实验前应先检查试验接线,保证试验正常进行和人身安全。
2、在实验过程中,要听从老师的指导,严格按照实验步骤进行,不能任意更改,不熟悉的仪器设备,应先请老师指导后使用,切勿随意操作。
3、后台测控系统:可以进行四遥实验,禁止修改实验对象参数。
4、继保测试仪:试验时应严格按照试验步骤进行,在继保测试仪通电输出时不要触摸继保测试仪下方的接线端子,禁止将UA、UB、UC、IA、IB、IC、+110v、-110v、0v任意两端短接,否则会造成测试仪损坏。
5、屏柜面板实验连接线及插座:交流电压、电流端子不能混插,交流、直流开入端子不能混插,否则可能造成保护装置烧毁。屏柜面板测量电流插座的输入电流不超过5A,保护电流插座的输入电流尽量不超过5A(可设置小定值进行实验)。
6、试验连接线使用寿命是24个月,使用寿命结束或者发现连接线有破损应报废。
7、实验中出现异常情况如冒烟、巨响应立即断电,分析原因并排除故障后方可继续实验。
8、保持试验环境、实验台和仪器的干燥、清洁、整齐。
目 录
第一章 1# 10KV微机配电系统概述... 4
1、概述.... 4
2、实验装置接线端子.... 4
3、实训系统电源组成.... 4
4、 实验装置安全保护组成.... 5
5、技术指标.... 5
第二章 1#10KV微机线路保护实训... 7
1、三段式电流电压方向保护实验.... 7
2、三相一次重合闸实验.... 12
3、过流加速保护实验.... 15
4、过负荷保护实验.... 18
5、低电压保护实验.... 19
6、低频减载保护.... 21
7、零序电流保护.... 24
8、母线TV断线告警.... 25
9、线路电压异常告警.... 27
第三章 1#10KV微机电容器保护实训... 29
1、三段式电流电压方向保护实验.... 29
2、过电压保护.... 30
3、低电压保护.... 32
4、不平衡电流保护.... 34
5、不平衡电压保护.... 35
6、零序电流保护/小电流接地选线.... 36
7、TV断线检测.... 38
8、非电量保护.... 39
9、闭锁投切.... 40
第四章 1#10KV微机电动机保护实训... 41
1、电动机起动超时保护.... 41
2、两段式定时限电流保护.... 43
3、反时限电流保护.... 45
4、两段式负序电流保护.... 46
5、零序电流保护.... 48
6、低电压保护.... 50
7、过电压保护.... 51
8、过负荷保护实验.... 53
9、过热保护.... 54
10、FC回路保护.... 56
11、非电量保护.... 58
12、TV断线检测.... 59
第五章 遥控操作... 61
1、遥信量实验.... 61
2、遥测量实验.... 61
3、遥控实验.... 62
附录:保护装置定值范围及压板说明... 63
1、WXH-822微机线路保护装置.... 63
2、WDR-821微机电容器保护装置.... 65
3、WDH-821微机电动机保护装置.... 67
第一章 1# 10KV微机配电系统概述
1、概述
1#10KV微机配电变系统由WXH-822微机线路保护装置、WDR-821微机电容器保护装置、WDH-821微机电动机保护装置以及相关设备组成。1#10KV微机配电系统是以现场运行的工业级的微机继电保装置为依托,并配合以通用的继电保护实验测试仪,真正把实验装置引入教学。实验系统保护屏面板有对应的指示灯显示,使得实验更为直观。实验装置提供六路独立输出模拟量包括三路独立交流电压输出和三路独立交流电流输出,并有各自对应的仪表精确显示,保证了实验完成的灵活性和准确性。
WXH-822微机线路保护装置,适用于66kV及以下各级电压等级,用于输电线路的保护和测控。
WDR-821微机电容器保护装置适用于66kV及以下电压等级所装设的并联电容器的保护及测控。
WDH-821微机电动机保护装置适用于10kv电压等级2000KW及以下中小型异步电动机的保护及测控。
2、实验装置接线端子

图1-1
3、实训系统电源组成
提供三相380V交流电源和直流220V电源(供保护装置用),同时可得到三路单相0-250V的独立调节自耦调压器交流模拟量输出和三路交流电流0-5A(最大可达20A)模拟量输出。模拟量的输出采用DP-AA20和DP-AV600交流数字电流、电压表保证精确显示。
4、 实验装置安全保护组成
实验装置三相380V交流电源、直流220V电源、三路交流模拟量、三路交流电流模拟量均经过隔离变压器输出,并可以检测对地绝缘情况。
实验连接线及插座:交直流电连接及插座分开,不能混插。电连接线及插座采用全封闭工艺使用安全、可靠。
5、技术指标
5.1 整体技术指标
(1)工作电源:三相四线 AC 380V±10% 50Hz;
(2) 整机容量:1.5kVA。
5.2 保护装置额定数据
(1)额定直流电压: 220V;
(2)额定交流电压:相电压100/3V;
(3)额定交流电流:5A或1A;
(4)零序电流:1A;
(5)额定频率: 50Hz;
(6)热稳定性:
交流电压回路:长期运行 1.2Un
交流电流回路:长期运行 2In
1s 40In;
(7)零序电流回路:长期运行 1A
1s 40A;
(8)稳定性:
半周波: 100In。
5.3 保保护装置装置功耗
a.交流电压回路:每相不大于1VA;
b.交流电流回路:In=5A时每相不大于1VA;In=1A时每相不大于0.5VA;
c.保护电源回路:正常工作时,不大于12W;保护动作时,不大于15W。
5.4 绝缘性能
(1)绝缘电阻
保护装置所有电路与实验装置外壳之间的绝缘电阻在标准实验条件下,不小于100M。
(2)介质强度
装置所有电路与外壳的介质强度能耐受交流50Hz,电压2kV(有效值),历时1min试验,而无绝缘击穿或闪络现象。
5.5 测量精度
a.各模拟量的测量误差不超过额定值的±0.2%;
b.功率测量误差不超过额定值的±0.5%;
c.开关量输入电压(220V/110V/24V),分辨率不大于2ms;
d.脉冲量输入电压24V,脉冲宽度不小于10ms;
e.有功、无功电度的测量误差不超过±1%。
5.6保护定值整定范围及误差
a.定值整定范围
交流电压: 4V-100V;
交流电流: 0.1In-20In;
零序电流: 0.02A-20A。
b.定值误差
电流: < ±2.5%。
电压: < ±2.5%。
零序电流:0.02A-0.4A(含0.4A)范围内不超过±0.01In,0.4A-20A 范围内不超过±2.5%。
5.7延时整定范围及误差
定时限在0s-2s(含2s)范围内不超过±40ms,2s-100s范围内不超过整定值的±2%;反时限在0s-2s(含2s) 范围内不超过±100ms,2s以上不超过理论值的±5%;低频减载延时在0s-3s(含3s)范围内不超过60ms,3s-100s范围内不超过整定值的±2%。
第二章 1#10KV微机线路保护实训
1#10KV微机线路保护实训是对WXH-822微机线路保护装置的功能进行操作。
1、三段式电流电压方向保护实验
一、实验目的
1.熟悉WXH-822微机线路三段电流保护的原理;
2.掌握三段电流保护逻辑组态。
二、实验原理及逻辑框图
三段式电流电压保护一般用于单电源出线上,对于双电源线路可以加入方向元件组成带方向的各段保护。反时限对于任何相间故障,包括接近电源的线路发生故障都可以在较短时间内切除,但保护的配合整定比较复杂,主要用于单电源供电的终端线路。
WXH-822装置设三段电流电压方向保护。每一段保护的电压闭锁元件及方向元件均可单独投退,通过分别设置保护软压板控制这三段保护的投退。其中电流电压方向Ⅰ段可以通过控制字选择是否闭锁重合闸。过流Ⅲ段可通过控制字YSFS选择采用定时限还是反时限,(若为0,则过流Ⅲ段为定时限段,若为1~3,则过流Ⅲ段分别对应三种不同的反时限段),根据国际电工委员会(IEC255-4)和英国标准规范(BS142.1996)的规定,本装置采用下列三个标准反时限特性方程,分别对应延时方式的1~3。
反时限特性方程如下:
一般反时限:
(1)
非常反时限:
(2)
极端反时限:
(3)
上式中,
Ip为电流基准值,取过流Ⅲ段定值Idz3;Tp
为时间常数,取过流Ⅲ段时间定值T3,范围为0.05~1S。其中反时限特性可由控制字YSFS选择(1为一般反时限,2为非常反时限,3为极端反时限)。
方向元件采用90°接线,按相起动。为消除死区,方向元件带有记忆功能。动作的最大灵敏角可以通过控制字选择为-45°或者-30°,动作范围120°~-30°或者105°~-45°。方向元件动作区域如图2-1所示:

图2-1 方向元件动作区示意图
逻辑原理框图如图2-2所示:

图2-2 三段电流电压方向保护原理框图
关于母线TV断线的说明:在母线TV断线时,相应的电压、方向元件退出(程序内置,没有软压板);如果母线TV断线定值中相关保护设置为投入,则母线TV断线时,电流保护逻辑只判电流大小;否则,相关保护设置退出时,则退出带方向、电压元件的保护段。
三、实验内容
1) 实验接线:将面板上WXH-822线路保护装置的保护电流端子IA1、IN1分别接至下方的电流调节端子IA、IN上,且将屏面电流调节旋钮调至最小量。WXH-822线路保护装置的母线电压端子UA、UB、UC、UN分别接至下方的电压输出端子UA、UB、UC、UN上,且将屏面电压调节旋钮调至57V。
2) WXH-822线路保护装置上电正常运行,装置控制回路上电,PT切换打到实验位置。合断路器,红灯亮。
3)进入WXH-822线路保护装置菜单“定值”中根据实验前的预测和计算对电流Ⅰ段保护定值进行修改整定。
电流I段保护定值整定示例:
电流I段定值(Idz1) 1.50 A
电流I段时限(T1) 1S
电流I段电压定值(Udz1) 80.00V
-30°灵敏角投退(ALM1) 1
电流Ⅰ段电压投退(UBS1) 1
电流Ⅰ段方向投退(DBS1) 1
闭锁重合闸控制字(BScHz) 1
4)进入WXH-822线路保护装置菜单“压板”中投入电流Ⅰ段保护软压板,其他所有保护的软压板均退出。
5)检查接线线路正确无误后,调节A相输出电压使其输出电压小于30V(线电压Uab=相电压Ua√3),满足电压动作条件。调节A相保护电流输入电流相角滞后120°,逐步增大A相保护电流输入电流。
6)当输入电流大于整定电流时,经延时,WXH-822线路保护装置面板跳闸灯亮。断路器跳闸,控制开关上方的绿灯亮,WXH-822线路保护装置报告“电流I段保护动作”。
7)实验完成后,在WXH-822微机线路保护测控装置的“报告”中记下保护动作时的保护动作信息,并制作相应的表格,进行实验分析。
8)改变实验定值:
电流Ⅰ段电压投退(UBS1) 0
不调节电压进行实验。
9)改变实验定值:
电流Ⅰ段方向投退(DBS1) 0
不调节电流相角进行实验。
10)改变电流电压的施加顺序,测量电压动作值。
电流Ⅰ段电压投退(UBS1) 1
电流Ⅰ段方向投退(DBS1) 0
将屏面电压调节旋钮调至57V。电流调节到调至最小量,合断路器。
调节A相输出电流使其输出大于1.5A,逐步减小A相电压输入,当输入电压小于整定电压时,经延时,WXH-822线路保护装置面板跳闸灯亮。断路器跳闸,控制开关上方的绿灯亮,WXH-822线路保护装置报告“电流I段保护动作”。
计算线电压的大小,并在WXH-822微机线路保护测控装置的“报告”中记下保护动作时的保护动作信息,并制作相应的表格,进行实验分析。
11)用类似步骤做电流Ⅱ段、Ⅲ段实验。
2、三相一次重合闸实验
一 、实验目的
1.熟悉WXH-822保护装置三相一次重合闸的原理;重合闸充、放电原理;
2.熟悉WXH-822保护装置重合闸与电流保护的配合过程。
二 、实验原理及逻辑框图

图2-4三相一次重合闸原理框图
装置设有三相一次重合闸功能,通过设置重合闸压板控制投退。重合闸当开关位于合位,且无外部闭锁时充电,充电时间为15s。当开关由合位变为跳位时重合闸启动。启动后,若10秒内不满足重合闸条件(含有流:超过0.04In)则放电。重合闸设有四种重合方式:0-无检定;1-检无压,有压转检同期;2-检同期;3-检无压,有压不重合。双侧电源的线路,除采用解列重合闸的单回线路外,均应有一侧检同期重合闸,以防止非同期重合闸对设备的损害,另外一侧投检无压。
重合闸充电完成时,液晶显示屏中央显示充电完成标志。
重合闸的启动:由断路器位置接点变位启动。
重合闸的闭锁条件有:
⑴闭锁重合闸开入;⑵低频动作;⑶过负荷跳闸;⑷低电压保护动作;⑸过流一段动作(过流一段闭锁重合闸控制字投入情况下);⑹遥控跳闸;⑺控制回路断线(开关位置异常);⑻线路电压异常;⑼压力异常;⑽弹簧未储能;⑾手跳(有操作回路:HHJ返回;无操作回路:将手跳信号接至闭锁重合闸)。
三 、实验步骤
1.实验接线:将面板上WXH-822线路保护装置的保护电流端子IA1、IB1、IC1、IN1分别接至下方的电流调节端子IA、IB、IC、IN上,且将屏面电流调节旋钮调至最小量。接线如下图2-5。

图2-5
2.WXH-822线路保护装置正常运行,PT切换打到实验位置。合断路器,红灯亮。
3.进入WXH-822线路保护装置菜单“定值”中根据实验对三相一次重合闸定值及电流Ⅰ段保护定值进行修改整定。
电流I段保护定值整定示例:
电流I段定值(Idz1) 1.50 A
电流I段时限(T1) 1S
电流I段电压定值(Udz1) 80.00V
-30°灵敏角投退(ALM1) 1
电流Ⅰ段电压投退(UBS1) 0
电流Ⅰ段方向投退(DBS1) 0
闭锁重合闸控制字(BScHz) 0
重合闸定值整定示例:
重合闸时限(Tch) 2S
重合闸无压值(Udzch) 40V
重合闸同期角(Ach) 10°
重合闸方式(Mch) 0(*注)
抽取电压相别 (TUx) 0
遥控合闸方式(Myh) 0
*注:重合闸方式:0(无检定)\1(检无压有压转检同期)\2(检同期)\3(检无压有压不合闸)
抽取电压相别:0(Ua)\1(Ub)\2(Uc)\3(Uab) \4(Ubc) \5(Uca)
遥控合闸方式:0(无检定)\1(检无压有压转检同期)\2(检同期)\3(检无压有压不合闸)
4. 投入保护软压板:
进入WXH-822保护装置菜单“压板”→“ 电流I段压板” →“投入”→按“确认”按钮。
进入WXH-822保护装置菜单“压板”→“ 重合闸压板” →“投入”→按“确认”按钮。
闭锁重合闸硬压板退出,重合闸硬压板投入。
5. 重合闸实验:
断路器位于合位,等待15s重合闸充满电,重合闸充满电后会在装置正常运行画面左下角会显示一个小电池图标:
。
调节屏面A相输出电流使其大于WXH-822线路保护电流I段保护定值。WXH-822保护装置的电流Ⅰ段保护动作,断路器跳闸,立即减小A相输出电流,经延时重合闸动作,装置面板上重合闸灯亮,弹出报告“重合闸动作”。
7.实验完成后,在WXH-822微机线路保护测控装置的“报告”中记下三相一次重合闸动作时的保护动作信息,并制作相应的表格。
8.记录保护动作信息后,可改变实验定值进行多次实验。
实验次数 |
重合闸保护整定值 |
电流I段保护整定值 |
电流I段保护动作值 |
IA |
IB |
IC |
1 |
|
|
|
|
|
3、过流加速保护实验
一、实验目的
1.熟悉WXH-822微机线路过流加速保护的原理;
2.掌握过流加速保护逻辑组态的方法。
二、实验原理及逻辑框图
装置设置了独立的加速保护段,可通过控制字选择合闸前加速或合闸后加速,合闸后加速保护包括手合于故障加速跳与自动重合于故障加速跳。前加速一般用于35kV及以下的具有几段串连的辐射形线路上,能快速切除故障,然后靠重合闸纠正这种非选择性动作。选择合闸后加速时,当重合于故障或者手合于故障时,加速保护不带时限无选择性的动作跳闸,加速故障的切除。
装置的手合加速回路不需由外部手动合闸把手的触点来起动,此举主要是考虑到目前许多变电站采用综合自动化系统后,已取消了控制屏,在现场不再安装手动操作把手,或仅安装简易的操作把手。
装置设置了独立的过流加速段电流定值及相应的时间定值,与传统的保护相比,使保护的配置更加灵活。本保护在断路器处于合位后开放3s。过流加速定值和过流保护配合使用时,过流加速定值要小于过流定值。原理框图如图2-6所示:
图2-6 过流加速保护原理框图
三、实验内容
1.实验接线:将面板上WXH-822线路保护装置的保护电流端子IA1、IB1、IC1、IN1分别接至下方的电流调节端子IA、IB、IC、IN上,且将屏面电流调节旋钮调至最小量。接线如下图2-7。

图2-7
2.WXH-822线路保护装置正常运行,PT切换打到实验位置。合断路器,红灯亮。
3.进入WXH-822线路保护装置菜单“定值”中根据实验对过流加速保护定值进行修改整定。合闸后过流加速保护实例:
1)过流加速保护定值整定:过流加速电流定值(Ijs) 2A
过流加速时限(Tjs) 3S
前加速方式投退(QJS) 0(0:后加速;1:前加速)
2)电流I段保护定值整定
电流I段定值(Idz1) 2A
电流I段时限(T1) 1S
电流I段电压定值(Udz1) 80.00V
-30°灵敏角投退(ALM1) 1
电流Ⅰ段电压投退(UBS1) 0
电流Ⅰ段方向投退(DBS1) 0
闭锁重合闸控制字(BScHz) 0
3)重合闸定值整定
重合闸时限(Tch) 1S
重合闸无压值(Udzch) 18V
重合闸同期角(Ach) 10°
重合闸方式(Mch) 0(*注)
抽取电压相别 (TUx) 0
遥控合闸方式(Myh) 0
4. 投入保护压板:
进入WXH-822保护装置菜单“压板”→“过流加速压板”“重合闸压板”→“投入”→按“确认”按钮。闭锁重合闸硬压板退出,重合闸硬压板投入。
5.断路器位于合位,等待15S重合闸充满电,重合闸充满电后会在装置正常运行画面左下角会显示一个小电池图标:
。
调节屏面A相输出电流使其大于WXH-822线路保护重合闸保护电流I段定值。断路器跳闸,将电流迅速调回至0,经延时后重合闸动作,断路器合闸,装置面板上重合闸灯亮,再加电流大于过流加速定值,断路器立即加速跳闸,弹出报告“重合闸动作”、“过流I段动作”。
6.实验完成后,在WXH-822微机线路保护测控装置的“报告”中记下合闸前/后过流加速保护动作时的保护动作信息,并制作相应的表格。
7.将加速方式设置为前加速进行实验。
前加速方式投退设为1,实验步骤类似。
8.记录保护动作信息后,可改变实验定值进行多次实验。
序号 |
重合闸保护整定值 |
电流I段保护 定值 |
过流加速保护定值 |
电流I段保护动作值 |
过流加速动作值 |
IA |
IB |
IC |
IA |
IB |
IC |
1 |
|
|
|
|
|
|
|
|
|
4、过负荷保护实验
一、实验目的
1.了解WXH-822微机线路过负荷保护的原理;
2.熟悉过负荷保护的逻辑组态方法。
二、实验原理及逻辑框图
装置设有过负荷保护功能,过负荷可通过控制字定值选择动作于跳闸或告警。投跳闸时,跳闸后闭锁重合闸。投告警功能时,过负荷返回系数不小于0.95。原理框图如图2-8所示:

图2-8 过负荷保护原理框图
三、实验内容
1.实验接线:将面板上WXH-822线路保护装置的保护电流端子IA1、IB1、IC1、IN1分别接至下方的电流调节端子IA、IB、IC、IN上,且将屏面电流调节旋钮调至最小量。接线如下图2-9。

图2-9
2.WXH-822线路保护装置正常运行,PT切换打到实验位置。合断路器,红灯亮。
3.修改保护定值:进入装置菜单“定值”→“定值”,输入密码后,进入→ “过负荷保护”→ 按“确认”按钮,,进入定值修改界面,如:
过负荷定值 Igfh 2.00A
过负荷时限 Tgfh 1.00S
过负荷跳闸 GFHTZ 0(1跳闸/0告警)
4.将过负荷保护的软压板投入(“定值”→“ 压板” ,输入密码后,进入→“过负荷保护”,将其保护软压板投入后→ 按“确认”后显示“压板固化成功”),其他所有保护的硬压板和软压板均退出。
5.检查接线线路正确无误后,屏面三相电流调节器电源上电,调节电流输出旋钮使其输出电流大于保护定值,1S后装置面板上告警灯亮,显示“过负荷动作”。
6.实验完成后,在WXH-822微机线路保护测控装置的“报告”中记下过负荷保护动作时的保护动作信息,并制作相应的表格。
7.记录保护动作信息后,可改变实验定值进行多次实验。
序号 |
过负荷保护整定值 |
保护动作值 |
IA |
IB |
IC |
1 |
|
|
|
|
5、低电压保护实验
一、实验目的
1.了解WXH-822微机线路低电压保护的原理;
2.熟悉低电压保护的逻辑组态方法。
二、实验原理及逻辑框图
装置设有低电压保护功能。在系统故障时电压降低,可配置低电压保护来甩掉部分负荷,作为简单的低压减载使用。由于低电压保护动作时闭锁线路重合闸,建议在使用本保护时投入滑差闭锁功能,避免由于系统故障使系统电压降低时,低电压保护动作闭锁重合闸,线路无法重合。本保护在断路器处于合位时投入,在母线TV断线时可选择是否闭锁(如果母线TV断线的相关保护设置为投入,则母线TV断线时,不闭锁低电压保护;否则,相关保护设置退出时,则闭锁低电压保护)。本保护设有硬压板。原理框图如图2-10所示:
图2-10 低电压保护原理框图
三、实验内容
1.实验接线:将面板上WXH-822线路保护装置的保护电压端子UA、UB、UC、UN分别接至下方的电压调节端子UA、UB、UC、UN上。接线如下图2-11。

图2-11
2.WXH-822线路保护装置正常运行,PT切换打到实验位置。合断路器,红灯亮。
3.修改保护定值:
低电压定值 Udz 60V(4-90V)
低电压时限 Tdy 1S
滑差定值 Du/t 20.00V/S
滑差闭锁 DU 置0
4.投入保护压板。将低电压保护的硬压板投入和软压板投入,其他所有保护的软压板均退出。
5.调节电压在57V,合断路器,逐步减小A相电压,低电压保护动作,断路器跳闸,装置报告“低电压动作”,面板跳闸灯亮。
7.实验完成后,在WXH-822微机线路保护测控装置的“报告”中记下低电压保护动作时的保护动作信息,并制作相应的表格。
8.记录保护动作信息后,可改变实验定值进行多次实验。
序号 |
低电压保护整定值 |
保护动作信息 |
Uab |
Ubc |
Uca |
1 |
|
|
|
|
6、低频减载保护
一、实验目的
1.了解WXH-822微机线路低频减载保护的原理;
2.熟悉低频减载保护的逻辑组态方法。
二、实验原理及逻辑框图
在断路器处于合位时或任一相有流(I>0.04In)时投入低频减载保护。低频减载设有电压闭锁、滑差闭锁、低电流闭锁。当系统发生故障,频率下降过快超过滑差闭锁定值时瞬时闭锁低频减载保护。低频减载保护动作同时闭锁线路重合闸。保护设有硬压板控制投退功能。母线TV断线时闭锁低频减载保护。原理框图如图2-12所示。

图2-12低频减载保护原理框图
三、实验内容
1.实验接线:将面板上WXH-822线路保护装置的保护电流电压端子UA、UB、UC、UN分别接至微机继电保护测试仪的UA、UB、UC、UN上。
2.WXH-822线路保护装置正常运行,PT切换打到实验位置。合断路器,红灯亮。
3.修改保护定值:进入装置菜单“定值”→“定值”,输入密码后,进入→ “低频减载保护”→ 按“确认”按钮,进入定值修改界面,如:
动作频率(f) 47Hz
动作时限(Tf) 1S
闭锁电压定值(Ubf) 50V
闭锁电流定值(Ibf) 1A
电流闭锁(DI) 置0
滑差定值(Df/t) 2Hz
滑差闭锁(DF) 置0
4.投入保护压板。将低频减载的硬压板投入和软压板投入,其他所有保护的软压板均退出。
5.微机继电保护测试仪参数设置
根据:线电压Uab=相电压Ua√3,计算相电压幅值。
1)在程控电源菜单下。
Ua——幅值:35V,步长:0V;相位:0,步长:0;频率:50Hz,步长:0.5Hz。
Ub——幅值:35V,步长:0V;相位:-120,步长:0;频率:50Hz,步长:0.5Hz
Uc——幅值:35V,步长:0V;相位:120,步长:0;频率:50Hz,步长:0.5Hz
频率前面的方框全部勾选“√”。
操作:检查线路正确无误后,点击微机继电保护测试仪程控菜单下的试验按钮,开始实验,连续点击“变量调整”下的“-”以减低频率,当频率降至低于动作频率定值时,低频减载保护动作。断路器跳闸,保护装置面板跳闸灯亮。
2)在低频保护菜单下:
动作值测试:三相电压值——57V
频率初始值——50 Hz
频率变化终值——45 Hz
滑差Df/Dt值——1Hz
变化前延时——1s
也可将测试项目设为df/dt闭锁值进行测试。
操作:检查线路正确无误后,点击微机继电保护测试仪低频保护才菜单下的试验按钮,开始实验,当频率降至低于动作频率定值时,低频减载保护动作。断路器跳闸,保护装置面板跳闸灯亮。
6.实验完成后,在WXH-822微机线路保护测控装置的“报告”中记下低频减载保护动作时的保护动作信息,并制作相应的表格。
7.记录保护动作信息后,可改变实验定值进行多次实验。
7、零序电流保护
一、实验目的
1.了解WXH-822微机线路零序电流保护的原理;
2.熟悉零序电流保护的逻辑组态方法。
二、实验原理及逻辑框图
装置设有一段零序电流保护,通过设置保护压板控制投退。
在不接地或小电流接地系统中发生接地故障时,其接地故障点零序电流基本为电容电流,且幅值很小,用零序过流保护来检测接地故障很难保证其选择性。本装置通过网络互联,与其他装置信息共享,通过CBZ-8000综合自动化系统采用网络小电流接地选线的方法来获得接地间隔。
在经小电阻接地系统中,接地零序电流相对较大,故采用直接跳闸方法,本装置中设一段零序过流保护(可整定为报警或跳闸)。
在某些不接地系统中,电缆出线较多,电容电流较大,也可采用零序电流保护直接跳闸方式。原理框图如图2-14所示。

图2-14零序电流保护原理框图
三、实验内容
1.实验接线:将面板上WXH-822线路保护装置的零序电流端子3IO、3IO’分别接至微机继电保护测试仪的IA、IN上,如下图2-15。

图2-15
2.WXH-822线路保护装置正常运行,PT切换打到实验位置。合断路器,红灯亮。
3.修改保护定值:
零序电流定值(IOdz) 1A
零序电流时限(TO) 2s
零序电流跳闸(IOTZ) 置1
4.投入保护压板。将零序电流保护软压板投入(“定值”→“压板”,输入密码后,进入→“零序电流保护”,将其保护软压板投入后→ 按“确认”后显示压板固化成功),其他所有保护的硬压板和软压板均退出。
5.检查接线线路正确无误后,屏面电流调节器电源上电,调节电流输出旋钮使其输出电流大于保护定值,2S后断路器跳闸,装置面板上跳闸灯亮。
6.实验完成后,在WXH-822微机线路保护测控装置的“报告”中记下零序电流保护动作时的保护动作信息,并制作相应的表格。
7.记录保护动作信息后,可改变实验定值进行多次实验。
8、母线TV断线告警
一、实验目的
1.了解WXH-822微机线路保护装置母线TV断线告警的原理;
2.熟悉母线TV断线告警的逻辑组态方法。
二、实验原理框图及条件
条件:
1) 最大线电压与最小线电压差大于18V,且3U0大于8V,判为母线TV断线;
2) 三个线电压均小于18V,且任一相有流(I> 0.04In);
3) 3U0大于8V,且最大线电压小于18V;
控制字投入,满足以上任一条件,5s后报母线TV断线。不满足以上情况,且线电压均大于80V,母线TV断线延时返回。原理框图如图2-16所示。
图2-16母线TV断线告警原理框图
三、实验内容
1、实验接线如下图2-17。

图2-17
2.WXH-822线路保护装置上电正常运行,控制回路上电正常运行,PT切换打到实验位置,UA、UB、UC电压均调到57V。
3.修改保护定值:进入装置菜单“定值”→“定值”,输入密码后,进入→ “TV断线检测”→ 按“确认”按钮,进入定值修改界面,如:
TV断线检测(TV) 置1
相关保护投退(BT) 置0
4.调节A相电流输出至1A,调节UB电压小于18V, 5S后TV断线告警,装置面板上告警灯亮。
5.实验完成后,在WXH-822微机线路保护测控装置的“报告”中记下TV断线检测动作时的保护动作信息,并制作相应的表格。
6. 记录保护动作信息后,可改变相别进行多次实验。
9、线路电压异常告警
一、实验目的
1.了解WXH-822微机线路保护装置线路电压异常告警的原理;
2.熟悉线路电压异常告警的逻辑组态方法。
二、实验原理及逻辑框图
对于含检无压或检同期要求的线路,装置在断路器处于合位或有流(任一相I> 0.04In)时,检查在母线电压大于80V情况下的线路抽取电压,其幅值应大于无压值(30V),或与母线对应相别的电压角度小于10°,否则5s后报线路电压异常告警,同时闭锁检无压与检同期重合闸。待线路抽取电压恢复正常时返回。如果线路电压异常,无法恢复,需断开线路检修。装置告警灯在线路长时间断开后可以复归,但无线路电压异常返回报文。原理框图如图2-18所示。

图2-18线路电压异常告警原理框图
三、实验内容
1、实验接线如下:

图2-19线路电压异常告警接线图
2.WXH-822线路保护装置上电正常运行,控制回路上电正常运行,PT切换打到PT位置。合断路器,红灯亮。远方就地开关打到远方位置。
3. 投入保护压板。将重合闸软压板投入,其他所有保护的软压板均退出。遥控投退硬压板投入。
定值: 重合闸检无压投入
4. 检查接线线路正确无误后,调节A相电流输出旋钮和电压输出旋钮:电流调至1A,调节测量抽取电压Ux、Uxn,使抽取电压Ux小于30V,5S后电压异常告警,装置面板上告警灯亮。
5.实验完成后,在WXH-822微机线路保护测控装置的“报告”中记下电压异常告警动作时的保护动作信息,并制作相应的表格。
第三章 1#10KV微机电容器保护实训
1#10KV微机电容器保护实训主要是对WDR-821微机电容器保护装置的功能进行操作。
1、三段式电流电压方向保护实验
一、实验目的
掌握WDR-821微机电容器三段电流保护的原理、逻辑组态方法。
二、实验原理及实验内容
装置设三段电流保护,各段电流及时间定值可独立整定,通过分别设置保护压板控制这三段保护的投退。电流保护原理框图如图3-1。

图3-1 三段电流保护原理框图
三、实验步骤
1.实验接线:将面板上保护装置的保护电流端子IA1、IB1、IC1、IN1分别接至下方的电流调节端子IA、IB、IC、IN上,且将屏面电流调节旋钮调至最小量,接线如下图3-2。

图3-2
2.WDR-821微机电容器保护装置上电正常运行,装置控制回路上电,PT切换打到实验位置。合断路器,红灯亮。
3.进入保护装置菜单“定值”中根据实验对I段电流保护定值进行修改整定。
电流I段定值(Idz1) 1.5A
电流I段时限(T1) 1S
4. 投入保护软压板:
进入WDR-821微机电容器保护装置“压板”菜单,投入“ 电流I段保护压板”,其他所有保护软压板均退出。
5.检查接线线路正确无误后,调节电流输出旋钮,当施加电流大于1.5A时,1S后断路器跳闸,绿灯亮,装置弹出动作报告“电流I段保护动作”,装置面板上跳闸灯亮。
6.实验完成后,在WDR-821微机电容器保护测控装置的“报告”中记下I段电流动作时的保护动作信息,并制作相应的表格。
7.记录保护动作信息后,可改变实验定值进行多次实验。
序号 |
电流n段保护整定值 |
电流n段保护动作值 |
IA |
IB |
IC |
1 |
|
|
|
|
8.按照上述类似步骤,进行“电流Ⅱ段保护”、“电流Ⅲ段保护”实验。
2、过电压保护
一、实验目的
1.了解WDR-821微机电容器过电压保护的原理;
2.熟悉过电压保护的逻辑组态方法。
二、实验原理及逻辑框图
过电压可选择动作于跳闸或告警。为防止电容器未投时误发信号,过电压在任一相有流(I>0.04In)或断路器在合位时投入。过电压保护设有硬压板控制投退。过电压保护原理框图如图3-3。
图3-3 过电压保护原理框图
三、实验内容
1.实验接线:如下图3-4。

图3-4
将屏面电流调节旋钮调至最小量。装置的母线电压端子UA、UB、UC、UN分别接至下方的电压输出端子UA、UB、UC、UN上,且将屏面电压调节旋钮调至57V。
2.WDR-821微机电容器保护装置上电正常运行,装置控制回路上电,PT切换打到实验位置。合断路器,红灯亮。
3.修改保护定值:进入装置菜单“定值”→“定值”,输入密码后,进入→ “过电压保护”→ 按“确认”按钮,进入定值修改界面,如:
过电压定值(Ugydz) 110V
过电压时限(Tgy) 2S
过电压跳闸投入(GYTZ) 置1
4.投入保护压板。投入过电压保护硬压板;投入过电压保护软压板,其他所有保护的软压板均退出。
5.调节A相电压至63V,调节B相电压至63V时,过电压保护动作,装置液晶应弹出动作报告“过电压动作”,面板跳闸灯亮,断路器跳闸,绿灯亮。
7.实验完成后,在WDR-821微机电容器保护测控装置的“报告”中记下过电压保护动作时的保护动作信息,并制作相应的表格。
8.记录保护动作信息后,可改变实验定值进行多次实验。
序号 |
过电压保护整定值 |
保护动作信息 |
Uab |
Ubc |
Uca |
1 |
|
|
|
|
3、低电压保护
一、实验目的
掌握WDR-821微机电容器低电压保护的原理及逻辑组态方法;
二、实验原理及逻辑框图
为防止系统故障后线路断开引起电容器组失去电源,而线路重合又使母线带电,使电容器组因电压累积而过电压损坏,设置低电压保护。为避免TV断线引起低电压误动,保护设有流闭锁条件,并且可以投退。低电压保护设有硬压板控制投退。低电压保护原理框图如图3-5。

图3-5低电压保护原理框图
三、实验内容
1.实验接线:接线如下图3-6。
将屏面电流调节旋钮调至最小量。装置的母线电压端子UA、UB、UC、UN分别接至下方的电压输出端子UA、UB、UC、UN上,且将屏面电压调节旋钮调至57V。

图3-6
2.WDR-821微机电容器保护装置上电正常运行,装置控制回路上电,PT切换打到实验位置。合断路器,红灯亮。
3.修改保护定值:
低电压定值(Udydz) 60V(2-70V)
低电压时限(Tdy) 1S
低压有流闭锁定值(Idydz) 0.5A
低压有流闭锁投退(IBS) 置1
4.投入保护压板。将低电压保护的硬压板投入和软压板投入,其他所有保护的软压板均退出。
5.将三相电流调至0.6A,减小A相电压使低电压保护动作,装置弹出动作报告“低电压动作”,面板跳闸灯亮。断路器跳闸,绿灯亮。
7.实验完成后,在WDR-821微机电容器保护测控装置的“报告”中记下低电压保护动作时的保护动作信息,测量或计算其线电压,并制作相应的表格。
8.记录保护动作信息后,可改变实验定值进行多次实验。
4、不平衡电流保护
一、实验目的
了解电容器不平衡电流产生的原因、消除方法,掌握微机电容器不平衡电流保护的原理及逻辑组态方法;
二、实验原理及逻辑框图
不平衡电流保护主要反映电容器组内部故障,具有较高的灵敏度。不平衡电流保护原理框图如图3-7。
图3-7 不平衡电流保护原理框图
三、实验内容
1.实验接线:接线如下图3-8。

图3-8
2.WDR-821微机电容器保护装置上电正常运行,装置控制回路上电,PT切换打到实验位置。合断路器,红灯亮。
3.修改保护定值
不平衡电流定值(Ipidz) 1A
不平衡电流时限(Tpi) 2S
4.投入保护压板。将不平衡电流保护的软压板投入,其他所有保护软压板均退出。
5.检查接线正确无误,逐步增加电流超过1A,2S后装置动作,装置面板上跳闸灯亮,报告不平衡电流保护动作,断路器跳闸,绿灯亮。
7.实验完成后,在WDR-821微机电容器保护测控装置的“报告”中记下保护动作时的保护动作信息,并制作相应的表格。
8.记录保护动作信息后,可改变实验定值进行多次实验。
5、不平衡电压保护
一、实验目的
掌握WDR-821微机电容器不平衡电压保护的原理及逻辑组态方法;产生不平衡电压的条件。
二、保护原理及逻辑框图
不平衡电压保护主要反映电容器组内部故障,当电容器组出现部分元件击穿但尚未引起全部击穿短路时,将其从电容器组断开。具有较高的灵敏度。不平衡电压保护原理框图如图3-9。

图3-9不平衡电压保护原理框图
三、实验内容
1.实验接线:接线如下图3-10。

图3-10
2.WDR-821微机电容器保护装置上电正常运行,装置控制回路上电,PT切换打到实验位置。合断路器,红灯亮。
3.修改保护定值
不平衡电压定值(Upudz) 60V
不平衡电压时限(Tpu) 2S
4.投入保护压板。将不平衡电压保护的软压板投入,其他所有保护的软压板均退出。
5.检查接线正确无误,施加电压大于60V时,2S后断路器跳闸,装置面板上跳闸灯亮,不平衡电压保护动作,断路器跳闸,绿灯亮。
7.实验完成后,在WDR-821微机电容器保护测控装置的“报告”中记下保护动作时的保护动作信息,并制作相应的表格。
8.记录保护动作信息后,可改变实验定值进行多次实验。
6、零序电流保护/小电流接地选线
一、实验目的
掌握WDR-821微机电容器小电流接地选线保护故障的判别。
掌握电容器零序电流保护、小电流接地选线保护故障的时的电流特性及保护原理和逻辑组态方法;
二、保护原理及逻辑框图
装置应用于不接地或小电流接地系统,在系统中发生接地故障时,其接地故障点零序电流基本为电容电流,且幅值很小,用零序过流继电器来保护接地故障很难保证其选择性。本装置在实现接地保护时,由于各装置通过网络互联,信息可以共享,故采用上位机比较同一母线上各线路零序电流基波和方向的方法来判断接地线路。
在经小电阻接地系统中,接地零序电流相对较大,可以采用直接跳闸方法。装置设一段零序过流保护(“零序跳闸”整定控制字整定为“0”时只告警,整定为“1”时跳闸)。
在某些不接地系统中,电缆出线较多,电容电流较大,也可采用零序电流继电器直接跳闸方式。零序电流保护原理框图如图3-11。
图3-11 零序电流保护原理框图
三、实验内容
1.实验接线:接线如下图3-12。

图3-12
2.WDR-821微机电容器保护装置上电正常运行,装置控制回路上电,PT切换打到实验位置。合断路器,红灯亮。
3.修改保护定值
零序电流定值(IOdz) 2A
零序电流时限(TO) 1S
零序电流跳闸(LLTZ) 置1
4.投入保护压板。将零序电流保护的软压板投入,其他软压板均退出。
5.检查接线正确无误,施加电流大于2A时,1S后断路器跳闸,装置面板上跳闸灯亮,零序电流保护动作。
7.实验完成后,在WDR-821微机电容器保护测控装置的“报告”中记下保护动作时的保护动作信息,并制作相应的表格。
8.记录保护动作信息后,可改变实验定值进行多次实验。
7、TV断线检测
一、实验目的
了解WDR-821微机电容器TV断线检测的原理及逻辑组态方法;
二、实验原理框图及条件
母线TV断线自检功能,可以经控制字选择投入或退出,条件:
a. 最大线电压与最小线电压差大于18V,且3U0大于8V,判为母线TV断线;
b. 三个线电压均小于18V,且任一相有流(I> 0.04In);
c. 3U0大于8V,且最大线电压小于18V;
控制字投入,满足以上任一条件,5s后报母线TV断线,不满足以上情况,且线电压均大于80V,母线TV断线短延时返回。原理框图如图3-13所示。

图3-13母线TV断线告警原理框图
三、实验内容
三、实验内容
1、实验接线如下图3-14。

图3-14
2.保护装置上电正常运行,控制回路上电正常运行,PT切换打到实验位置,UA、UB、UC电压均调到57V。合断路器,红灯亮。
3.修改保护定值:进入装置菜单“定值”→“定值”,输入密码后,进入→ “TV断线检测”→ 按“确认”按钮,进入定值修改界面,如:
TV断线检测(TV) 置1
相关保护投退(BT) 置0
4.调节A相电流输出至1A,调节UB电压小于18V, 5S后TV断线告警,装置面板上告警灯亮。
5.实验完成后,在WXH-822微机线路保护测控装置的“报告”中记下TV断线检测动作时的保护动作信息,并制作相应的表格。
6. 记录保护动作信息后,可改变相别进行多次实验。
8、非电量保护
一、实验目的
掌握微机电容器非电量保护的原理及逻辑组态。
二、实验原理及实验内容
装置设有两路非电量保护,两路非电量保护均可以由软压板控制投退,出口时间可以整定。非电量可以通过控制字选择动作于跳闸或告警。当非电量跳闸或者告警以后如果非电量故障状态一直存在,则跳闸信号灯或告警信号灯一直点亮,直到非电量故障状态解除。原理框图如图3-15所示。
图3-15 非电量保护原理框图
三、实验步骤
1.保护装置上电正常运行,控制回路上电正常运行,PT切换打到实验位置。合断路器,红灯亮。
2.进入保护装置菜单“定值”中对保护定值进行修改整定。
非电量1时限(Tfd1) 3s
跳闸控制字(FD1TZ) 置1
非电量2时限(Tfd2) 5s
跳闸控制字(FD2TZ) 置1
3. 投入保护软压板
进入保护装置菜单“压板”→“ 非电量1压板” “非电量2保护”→“投入”→按“确认”后显示“压板固化成功”。也可只投单路非电量保护;其他保护的硬软压板均退出。
4. 实验操作
非电量1保护:将屏面保护装置的“非电量1”端子接至“开入公共端”,经3s延时后,断路器跳闸,保护动作,装置面板上跳闸灯亮。
非电量2保护:将屏面保护装置的“非电量2”端子接至“开入公共端”,经5s延时后,断路器跳闸,保护动作,装置面板上跳闸灯亮。
5.实验完成后,在保护测控装置的“报告”中记下保护动作时的保护动作信息。
9、闭锁投切
一、原理
装置设置了闭锁投切开入。当装置检测到闭锁投切存在开入或保护跳闸动作(过电压和低电压保护跳闸除外),则启动闭锁投切出口输出一副出口触点。闭锁投切出口在复归后返回。
二、操作
WDR-821微机电容器保护装置电源和控制回路上电,PT切换打到实验位置,闭锁投切开入硬压板投入或保护跳闸动作(过电压和低电压保护跳闸除外)。
第四章 1#10KV微机电动机保护实训
1#10KV微机电动机保护实训主要是对WDH-821微机电动机保护装置的功能进行操作。
1、电动机起动超时保护
一、实验目的
1、理解WDH-821保护装置起动原理。
2、掌握WDH-821保护装置起动超时保护的原理。
二、实验原理及实验内容
当电动机正常起动时,电流由零突然增大,超过1.3Ie(Ie为电动机额定电流定值),随后电流将逐渐减小至小于1.3Ie,电动机起动结束。电动机起动成功,起动超时保护退出。在液晶的左侧显示“
”标志。
在运行过程中由于电动机供电电源故障,如外部近端短路造成电动机失压,故障切除后电动机自动重起动,液晶左侧“
”标志消失,电动机起动超时保护重新投入。重启完成后,电动机起动超时保护退出,在液晶的左侧显示“
”标志。
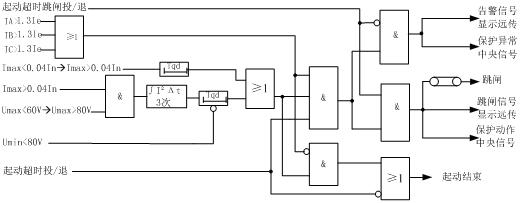
起动超时保护判据如下:
(1)正常起动:电流由无流变有流(0.04In),判为电动机开始起动,计时开始,经Tqd(起动时间定值)之后进行电流判别,如此时电流大于1.3Ie则认为电动机起动超时,如果此时电流小于1.3Ie则认为电动机起动成功,起动超时保护退出。
(2)运行过程中重启:电流大于有流门槛(0.04In),如果最大线电压Umax在20ms内由60V以下上升到80V以上,开始对最大电流Imax²间 隔100ms进行积分,如果连续三次积分一直上升(大于0.04In),起动超时保护重新投入,计时开始,在Tqd时间之内如果出现最小线电压Umin低于80V则认为所处电力系统振荡,起动超时保护退出,电动机不再进行起动超时判别,如果电压一直持续大于80V,经Tqd时间之后进行电流判别,如此时电流大于1.3Ie则认为电动机起动超时,“起动超时保护”动作,如果此时电流小于1.3Ie则认为电动机起动成功,起动超时保护退出。
电动机起动超时跳闸由控制字投退。原理框图如图4-1。
装置设置了起动超时软压板,软压板退出时起动超时退出,装置的起动结束标志置为1,
保护跳过电动机起动过程,直接处于正常运行状态。
当起动超时保护动作于告警时,自电动机起动开始计时,1.3倍起动时间后自动取消对电流二段和过负荷保护的闭锁,自动取消电流一段、反时限电流保护和过热保护抬高的电流定值。

图4-1 电动机起动超时保护原理框图
装置记录了最后一次正常起动的电流(最大相电流和负序电流)曲线,可以进入“浏览”菜单,“查看起动电流曲线”中查看。
三、实验步骤
1) 实验接线:将面板上WDH-821保护装置的保护电流端子IA2、IB2、IC2、IN2分别接至下方的电流调节端子IA、IB、IC、IN上,且将屏面电流调节旋钮调至最小量。接线如下图4-2。

图4-2
2) WDH-821保护装置上电正常运行,控制回路上电正常运行,PT切换打到实验位置。合断路器,红灯亮。
3)进入WDH-821保护装置菜单“定值”中根据实验前的预测和计算对起动超时保护定值进行修改整定。
额定电流定值(Ie) 2A
起动时间(T1) 10S
跳闸控制字(QDTZ) 置1
4)进入WDH-821线路保护装置菜单“压板”中投入起动超时保护软压板,其他所有保护的硬压板和软压板均退出。
5)检查接线线路正确无误后,屏面三相电流调节器电源上电。调节三相输出电流使其大于1.3Ie电流。
6)当保护动作条件满足时,WDH-821保护装置面板跳闸灯亮。断路器跳闸,红灯亮。保护装置报告中可查看保护的动作时间和动作值等相关信息,再进行实验分析。
2、两段式定时限电流保护
一、实验目的
1、理解WDH-821保护装置两段式定时限电流保护的原理。
2、掌握WDH-821保护装置两段式定时限电流保护的步骤。
二、实验原理及实验内容
装置设有两段定时限电流保护,分别由压板投退。
I段一般用于电流速断保护,反映电动机的定子绕组或引线的相间短路。电动机起动过程中,保护速断定值自动升为速断整定电流值的整定倍数(菜单整定)躲过电动机的起动电流;当电动机起动结束后,保护速断定值恢复原整定电流值。这样可有效防止起动过程中因起动电流过大而引起误动,同时还能保证运行中保护有较高的灵敏度。
II段为过流保护,作为电流速断保护的后备保护,为电动机的堵转提供保护。II段定时限过流保护在电动机起动过程中自动退出。定时限电流保护原理框图如图4-3。

图4-3定时限电流保护原理框图
三、实验步骤
1) 实验接线:将面板上WDH-821保护装置的保护电流端子IA2、IB2、IC2、IN2分别接至下方的电流调节端子IA、IB、IC、IN上,且将屏面电流调节旋钮调至最小量。接线如下图4-4。

图4-4
2) WDH-821保护装置上电正常运行,控制回路上电正常运行,PT切换打到实验位置。合断路器,红灯亮。
3.进入保护装置菜单“定值”中根据实验对两段式定时限电流保护定值进行修改整定。
定时限电流I段:电流I段定值(Idl1) 2 A
电流I段时限(Tdl1) 1S
起动电流倍数(Kqd) 3
4. 投入保护软压板:
投入“ 电流I段保护压板”软压板。 其他所有保护软压板均退出。
5.检查接线线路正确无误后,调节电流输出旋钮使其输出电流大于保护定值,1S后断路器跳闸,弹出报告定时限电流I段保护动作,装置面板上跳闸灯亮;断路器跳闸,红灯亮。
6.实验完成后,在WDH-821微机电动机保护测控装置的“报告”中记下两段式定时限电流动作时的保护动作信息,并制作相应的表格。
7.记录保护动作信息后,可改变实验定值进行多次实验。
序号 |
电流I段保护 整定值 |
电流Ⅱ段保护 整定值 |
电流I段动作值 |
电流Ⅱ段动作值 |
IA |
IB |
IC |
IA |
IB |
IC |
1 |
|
|
|
|
|
|
|
|
2 |
|
|
|
|
|
|
|
|
8.用类似的步骤做电流Ⅱ段保护实验。
3、反时限电流保护
一、实验目的
1、理解反时限特性及反时限曲线
2、理解WDH-821微机电动机保护装置反时限电流保护的原理。
3、掌握反时限电流保护的方式
二、实验原理及实验内容
在电动机起动过程中,反时限电流定值自动升为整定电流值的整定倍数(菜单整定),以躲过电动机的起动电流;当电动机起动结束后,保护定值恢复原整定电流值。这样可有效防止起动过程中因起动电流过大而引起误动。保护由控制字YSFS(分别由0、1、2表示)选取曲线。反时限电流保护原理框图如图4-5。

图4-5 反时限电流保护原理框图
反时限电流保护由以下三条曲线(0代表一般反时限,1代表非常反时限,2代表极端反时限)组成:
一般反时限(方式0):
非常反时限(方式1):
极端反时限(方式2):
式中: I为故障电流 Ip为反时限电流定值Ifsx
Tp为反时限时间定值Tfsx t为动作时间
三、实验步骤
1、 实验接线同两段式定时限电流保护。
2) WDH-821保护装置上电正常运行,控制回路上电正常运行,PT切换打到实验位置。合断路器,红灯亮。
3.进入WDH-821线路保护装置菜单“定值”中根据实验对反时限电流保护定值进行修改整定。
反时限电流定值(Ifsx) 1A
反时限时间常数(Tfsx) 1S
起动时电流倍数(Kfsx) 2
延时方式(ysfs) 0/1/2
4. 投入保护软压板:
进入WDH-821保护装置菜单“压板”→“ 反时限电流保护压板” →“投入”→按“确认”按钮后显示“压板固化成功”。 其他所有保护的软压板均退出。
5.检查接线线路正确无误后,调节电流输出旋钮使其输出电流大于反时限电流定值:
加电流2A,经延时后断路器跳闸,装置面板上跳闸灯亮,弹出报告“反时限电流保护动作”。断路器跳闸,红灯亮。
6.实验完成后,在WDH-821微机电动机保护测控装置的“报告”中记下保护动作时的动作信息,并制作相应的表格。
7.记录保护动作信息后,可改变实验定值进行多次实验。
4、两段式负序电流保护
一、实验目的
1、理解WDH-821微机电动机保护负序电流的产生原理及方式;了解正、负序电流的计算方式。
2、掌握两段式负序电流保护的原理。
二、实验原理及实验内容
当电动机三相电流有较大不对称,出现较大的负序电流,而负序电流将在转子中产生2倍工频的电流,使转子附加发热大大增加,危及电动机的安全运行。
装置设置两段负序电流保护,分别对电动机反相、断相、匝间短路以及较严重的电压不对称等异常运行状况提供保护。其中,I段负序电流保护为负序速断保护,为不平衡保护的主保护,只动作于跳闸;II段负序电流保护为不平衡保护的后备保护。II段负序电流保护可由控制字选择定时限延时或反时限延时,并且可由控制字选择跳闸或告警。负序定时限电流保护原理框图如图4-6。

图4-6负序II段电流保护(定时限)原理框图
II段负序反时限电流保护的公式如下:
式中: I为负序电流 Ip为负序II段电流定值Ifx2
Tp为负序II段时限Tfx2 t为动作时间
整定定值时,如果采用反时限保护,负序II段时间定值Tfx2小于0.05s则装置自动取为0.05s。
三、实验步骤
1) 实验接线如下图4-7。

图4-7
2) WDH-821保护装置上电正常运行,控制回路上电正常运行,PT切换打到实验位置。合断路器,红灯亮。
3.进入WDH-821保护装置菜单“定值”中对定值进行修改整定。
负序I段电流定值(Ifx1) 1A
负序I段时限(Tfx1) 0.05S
跳闸控制字(FX2T) 1
反时限控制字(FSX) 置1(1:投入,0:退出)
4. 投入保护软压板:
进入WDH-821保护装置菜单“压板”→“ 负序I段电流压板”→“投入”→按“确认”按钮后显示“压板固化成功”。 其他所有保护的软压板均退出。可以只投一段或者几段进行实验。
5.检查接线线路正确无误后,调节电流输出旋钮使其装置负序电流大于负序电流定值,
经延时后断路器跳闸,装置面板上跳闸灯亮,弹出报告“负序电流I段保护动作”。断路器跳闸,红灯亮。
6.实验完成后,在WDH-821微机电动机保护测控装置的“报告”中记下保护动作时的动作信息,并制作相应的表格。
7.记录保护动作信息后,可改变实验定值进行多次实验。
8.用类似的步骤做负序电流Ⅱ段保护实验。
5、零序电流保护
一、实验目的
1.了解WDH-821微机电动机零序电流保护的原理;
2.熟悉零序电流保护的逻辑组态方法。
二、实验原理及逻辑框图
装置设有零序电流保护功能,由压板投退。零序电流保护由控制字选择跳闸或告警。
装置配置零序互感器测量零序电流3I0。零序电流3I0输入除可用作零序电流保护,又可用作小电流接地选线的输入。零序电流保护原理框图如图4-8。
图4-8 零序电流保护原理框图
三、实验内容
1.实验接线:将面板上WDH-821保护装置的零序电流端子3IO、3IO’分别接至微机继电保护测试仪的IA、IN上,如下图4-9。

图4-9
2) WDH-821保护装置上电正常运行,控制回路上电正常运行,PT切换打到实验位置。合断路器,红灯亮。
3.修改保护定值:进入装置菜单“定值”→“定值”,输入密码后,进入→ “零序电流保护”→ 按“确认”按钮,进入定值修改界面,如:
零序定值(Ilx) 1A
零序时限(Tlx) 2s
零序电流跳闸(LXTZ) 置1
4.投入保护压板。将零序电流保护软压板投入(“定值”→“压板”,输入密码后,进入→“零序电流保护”,将其保护软压板投入后→ 按“确认”后显示压板固化成功),其他所有保护的软压板均退出。
5.检查接线线路正确无误后,屏面电流调节器电源上电,调节A相电流输出旋钮使其输出电流大于3A,2S后断路器跳闸,装置面板上跳闸灯亮。
6.实验完成后,在保护测控装置的“报告”中记下零序电流保护动作时的保护动作信息,并制作相应的表格。
7.记录保护动作信息后,可改变实验定值进行多次实验。
6、低电压保护
一、实验目的
1.了解WDH-821微机电动机低电压保护的原理;
2.熟悉低电压保护的逻辑组态方法。
二、实验原理及逻辑框图
当电源电压短时降低或短时中断时,为保证重要电动机自起动,要断开次要电动机,就需要配低电压保护。TV断线时可选择是否闭锁低电压保护(如果TV断线的闭锁相关保护设置为投入,则TV断线时,闭锁低电压保护;否则,闭锁相关保护设置退出时,不闭锁低电压保护)。低电压保护原理框图如图4-10。

图4-10 低电压保护原理框图
三、实验内容
1.实验接线:将面板上保护装置的保护电压端子UA、UB、UC、UN分别接至下方的电压调节端子UA、UB、UC、UN上。接线如下图4-11。调节A、B、C三相电压调节旋钮使输出电压等于57V。

图4-11
2) WDH-821保护装置上电正常运行,控制回路上电正常运行,PT切换打到实验位置。合断路器,红灯亮。
3.修改保护定值,如:
低电压定值(Udy) 60V(2-100V)
低电压时限(Tdy) 1S
4.投入保护压板。投入 “低电压保护”软压板,其他所有保护软压板均退出。
5.调节A相电压调节旋钮使输出电压慢慢减小,当线电压小于60V时,低电压保护动作,装置液晶应弹出动作报告“低电压动作”,面板跳闸灯亮。断路器跳闸,红灯亮。
7.实验完成后,在保护测控装置的“报告”中记下低电压保护动作时的保护动作信息,并制作相应的表格。
8.记录保护动作信息后,可改变相别及定值进行多次实验。
序号 |
低电压保护整定值 |
保护动作信息 |
Uab |
Ubc |
Uca |
1 |
|
|
|
|
7、过电压保护
一、实验目的
1.了解WDH-821微机电动机过电压保护的原理;
2.熟悉过电压保护的逻辑组态方法。
二、实验原理及逻辑框图
任一线电压大于过电压保护定值,时间超过整定时间时,过电压保护动作。过电压保护经HWJ位置闭锁。过电压保护原理框图如图4-12。
图4-12 过电压保护原理框图
三、实验内容
1.实验接线:将面板上保护装置的保护电压端子UA、UB、UC、UN分别接至下方的电压调节端子UA、UB、UC、UN上。接线如下图4-13。调节A、B、C三相电压调节旋钮使输出电压等于57V。

图4-13
2) WDH-821保护装置上电正常运行,控制回路上电正常运行,PT切换打到实验位置。合断路器,红灯亮。
3.修改保护定值,如:
过电压定值(Ugy) 110V
过电压时限(Tgy) 1S
4.投入保护压板。将过电压保护软压板投入,其他所有保护软压板均退出。
5.调节A相电压调节旋钮使输出电压变大,当线电压大于110V时,过电压保护动作,装置液晶应弹出动作报告“过电压动作”,面板跳闸灯亮。断路器跳闸,红灯亮。
7.实验完成后,在保护测控装置的“报告”中记下过电压保护动作时的保护动作信息,并制作相应的表格。
8.记录保护动作信息后,可改变相别及定值进行多次实验。
序号 |
过电压保护整定值 |
保护动作信息 |
Uab |
Ubc |
Uca |
1 |
|
|
|
|
8、过负荷保护实验
一、实验目的
1.了解WDH-821微机电动机过负荷保护的原理;
2.熟悉过负荷保护的逻辑组态方法。
二、实验原理及逻辑框图
装置设有过负荷保护功能,由压板投退。过负荷保护由控制字选择跳闸或告警。在电动机起动过程中,过负荷保护自动退出。过负荷保护原理框图如图4-14。
如果电动机长期工作在过负荷状态下,会使电动机的温升超过允许值,加速线圈绝缘老化,甚至将电动机烧坏。
图4-14 过负荷保护原理框图
三、实验内容
1.实验接线:同两段式定时限电流保护。
2) WDH-821保护装置上电正常运行,控制回路上电正常运行,PT切换打到实验位置。合断路器,红灯亮。
3.修改保护定值,如:
过负荷定值 Igfh 2.00A
过负荷时限 Tgfh 1.00S
过负荷跳闸 GFHTZ 1(跳闸)/0(告警)
4.投入保护压板。将过负荷保护的软压板投入,其他所有保护的软压板均退出。
5.检查接线线路正确无误后,调节A相电流输出旋钮使其输出电流大于保护定值,1S后装置面板上跳闸灯亮,断路器跳闸,红灯亮。
6.实验完成后,在保护测控装置的“报告”中记下过负荷保护动作时的保护动作信息,并制作相应的表格。
7.记录保护动作信息后,可改变实验定值进行多次实验。
序号 |
过负荷保护整定值 |
保护动作值 |
IA |
IB |
IC |
1 |
|
|
|
|
9、过热保护
一、实验目的
理解电动机过热保护的原理;
二、保护原理
过热保护主要为了防止电动机过热,因此在装置中设置一个模拟电动机发热的模型,综合电动机正序电流I1和负序电流I2的热效应,引入了等值发热电流Ieq,其表达式为:
Ieq2 = K1*I12+Kfr*I22
式中 K1 = 0.5(起动过程中,防止电动机正常起动中保护误动), K1 = 1.0(起动结束后);
Kfr = 3~10,模拟I22的增强发热效应,一般可取为6。
当Ieq > 1.05*Ie时,进行热累加,过热保护方程为:

当Ieq < 1.05*Ie时,进行散热,散热保护方程为:

上式中: Tsr = Tfr * Ksr
其中:Ie——电动机额定电流 Ieq ——等值发热电流
Tfr——过热时间常数 Ksr——散热系数
t——动作时间
当热积累值达到RGJ(过热报警状态)时发告警信号,装置面板上的过热灯亮;在没达到过热跳闸水平时热积累值恢复正常值(低于过热报警水平)时,发告警返回信号,复归后面板上的过热灯熄灭。
当热积累值达到过热跳闸水平时发跳闸信号并跳闸,同时驱动BYJ4(过热闭锁起动继电器),防止按下手动起动按钮而在过热情况下起动电动机,等到电动机散热到热报警水平的50%以下时,BYJ4才能返回。在需要紧急起动的情况下,通过装置引出的热复归触点(N224)强制将热模型恢复到“冷态”。
注意:装置如只用A、C相电流互感器,控制字TA2请置1,负序电流计算与此有关。
三、实验内容
1.实验接线同两段式负序电流保护。
2) WDH-821保护装置上电正常运行,控制回路上电正常运行,PT切换打到实验位置。合断路器,红灯亮。
3.修改保护定值,如:
发热时间常数(Tfr) 2min
散热系数(Ksr) 3
负序发热系数(Kfxfr) 5
热预告警水平(Krgj) 50%
两相TA投退(TA2) 置1
4.投入保护压板。将保护的软压板投入,其他所有保护的软压板均退出。
5.检查接线线路正确无误后,屏面电流调节器电源上电,操作同两段式负序电流保护。
6.实验完成后,在保护测控装置的“报告”中记下过热保护动作时的保护动作信息,并制作相应的表格。
7.记录保护动作信息后,可改变实验定值进行多次实验。
序号 |
过热保护整定值 |
负序保护动作值 |
IA |
IB |
IC |
1 |
|
|
|
|
10、FC回路保护
一、实验目的
1、理解电动机FC回路保护的原理。
2、掌握FC回路保护的逻辑组态。
二、实验原理及实验内容
本装置设有FC回路(高压熔断器和真空接触器组成的开关的简称)保护,用于由FC回路供电的电动机,可由软压板进行投退。FC回路投入,当电动机的电流大于Ixl(FC回路限流整定值)时,闭锁所有动作于跳闸的保护,此时由高压熔断器切断回路。高压熔断器熔断后,引入熔断器撞针的联动微动开关的常开触点,作为装置的启动量(开入端子N226),装置发告警信息。
注意:出口整定时,“FC回路闭锁”是提供给外部一对触点闭锁跳闸使用, 当电动机的电流大于Ixl时驱动此节点,推荐使用BYJ5的常闭触点n306-n308 (详见出口整定部分)。
FC回路保护原理框图如图4-15所示。

图4-15 FC回路保护原理框图
三、实验步骤
1.实验接线:同两段式定时限电流保护
2) WDH-821保护装置上电正常运行,控制回路上电正常运行,PT切换打到实验位置。合断路器,红灯亮。
3.进入保护装置菜单“定值”中对FC回路保护定值进行修改整定。
FC回路限流定值(Ixl) 2A
4. 投入保护软压板:
进入WDH-821保护装置菜单“压板”→“ FC回路保护压板”→“投入”→按“确认”按钮后显示“压板固化成功”。 其他所有保护的软压板均退出。
5.FC回路开入接线:将屏面保护装置的“FC开入”端子接至“开入公共端”。
6.检查接线线路正确无误后,调节A相电流输出旋钮使其输出电流大于FC回路限流定值,FC开入不接时,FC回路闭锁保护跳闸;FC开入接入时,FC熔丝熔断。
7.实验完成后,在WDH-821微机电动机保护测控装置的“报告”中记下保护动作时的保护动作信息,并制作相应的表格。
8.记录保护动作信息后,可改变实验定值进行多次实验。
11、非电量保护
一、实验目的
掌握电动机非电量保护的原理及逻辑组态。
二、实验原理及实验内容
装置设有两路非电量保护功能,由压板投退。同时由控制字可任意选择跳闸或告警。非电量保护原理框图如图4-16。

图4-16 非电量保护原理框图
三、实验步骤
1.WDH-821保护装置上电正常运行,控制回路上电正常运行,PT切换打到实验位置。合断路器,红灯亮。
2.进入保护装置菜单“定值”中对保护定值进行修改整定。
非电量1时限(Tfd1) 3s
跳闸控制字(FD1TZ) 置1
非电量2时限(Tfd2) 5s
跳闸控制字(FD2TZ) 置1
3. 投入保护软压板
进入保护装置菜单“压板”→“ 非电量1压板” “非电量2保护”→“投入”→按“确认”后显示“压板固化成功”。也可只投单路非电量保护;其他保护的软压板均退出。
4. 实验操作
非电量1保护:将屏面保护装置的“非电量1”端子接至“开入公共端”,经3s延时后,断路器跳闸,保护动作,装置面板上跳闸灯亮。
非电量2保护:将屏面保护装置的“非电量2”端子接至“开入公共端”,经5s延时后,断路器跳闸,保护动作,装置面板上跳闸灯亮。
5.实验完成后,在保护测控装置的“报告”中记下保护动作时的保护动作信息。
12、TV断线检测
一、实验目的
了解WDH-821微机电动机TV断线检测的原理及逻辑组态方法;
二、实验原理框图及条件
条件:
a. 最大线电压与最小线电压差大于18V,且3U0大于8V,判为TV断线;
b. 三个线电压均小于18V,且任一相有流(> 0.04In);
c. 3U0大于8V,且最大线电压小于18V;
控制字投入,满足以上任一条件,5s后报TV断线,并根据控制字(TVBS)选择TV断线后闭锁低电压保护或不闭锁低电压保护。不满足以上情况,且线电压均大于80V,延时后TV断线返回。原理框图如图4-17所示。

图4-17母线TV断线告警原理框图
三、实验内容
1、实验接线如下图4-18。

图4-18
2.保护装置上电正常运行,控制回路上电正常运行,PT切换打到实验位置,UA、UB、UC电压均调到57V。合断路器,红灯亮。
3.修改保护定值,如:
TV断线检测(TV) 置1
相关保护投退(BT) 置0
4.调节A相电流输出至1A,调节UB电压小于18V, 5S后TV断线告警,装置面板上告警灯亮。
5.实验完成后,在保护测控装置的“报告”中记下TV断线检测动作时的保护动作信息,并制作相应的表格。
6. 记录保护动作信息后,可改变相别进行多次实验。
第五章 遥控操作
1、遥信量实验
将开入公共端分别与遥信、开入接线端口短接,实现遥信开入采集。保护装置上的对应位置遥信状态投入。此时后台监控系统报告语音告警信号。
实验报告
实验名称 |
|
操作项目 |
(合闸/ 分闸) |
装置遥信 状态 |
后台 主接线图 |
后台 遥测表 |
语音报警 |
遥信1 |
|
|
|
|
|
遥信2 |
|
|
|
|
|
遥信3 |
|
|
|
|
|
开入1 |
|
|
|
|
|
………… |
|
|
|
|
|
2、遥测量实验
按照如下图接线,调整电压和电流的大小,进行测量,继电保护测试仪电输出的3个UN可以短接在一起也可以单独接一个,电流IAC、IBC、ICC为极性端,极性端可以反接(电流相位相差180°)但输出的P、Q、COS都会发生变化,可以在试验中测量得到。在后面的线路经方向闭锁的过电流保护实验中得到使用。
实验名称 |
|
组号 |
遥测量 |
标准表数值 |
实测值 |
实测值 |
装置实测 |
相对误差 |
绝对误差 |
后台显示 |
相对误差 |
绝对误差 |
第 1 组 |
IAC |
1A |
|
|
|
|
|
|
IBC |
1A |
|
|
|
|
|
|
ICC |
1A |
|
|
|
|
|
|
UA |
30V |
|
|
|
|
|
|
UB |
30V |
|
|
|
|
|
|
UC |
30V |
|
|
|
|
|
|
P |
|
|
|
|
|
|
|
Q |
|
|
|
|
|
|
|
COS |
|
|
|
|
|
|
|
第 2 组 |
IAC |
3A |
|
|
|
|
|
|
IBC |
3A |
|
|
|
|
|
|
ICC |
3A |
|
|
|
|
|
|
UA |
50V |
|
|
|
|
|
|
UB |
50V |
|
|
|
|
|
|
UC |
50V |
|
|
|
|
|
|
P |
|
|
|
|
|
|
|
Q |
|
|
|
|
|
|
|
COS |
|
|
|
|
|
|
|
第 3 组 |
IAC |
5A |
|
|
|
|
|
|
IBC |
5A |
|
|
|
|
|
|
ICC |
5A |
|
|
|
|
|
|
UA |
100V |
|
|
|
|
|
|
UB |
100V |
|
|
|
|
|
|
UC |
100V |
|
|
|
|
|
|
P |
|
|
|
|
|
|
|
Q |
|
|
|
|
|
|
|
COS |
|
|
|
|
|
|
|
|
|
|
|
|
|
|
|
|
|
3、遥控实验
对于远方下发的遥控选择命令,装置在判定与本装置地址相同且报文校验正确后,记忆选择的点号并将该报文返校上位机;对于远方下发的遥控执行命令,装置在判定与本装置地址相同且报文校验正确后,进一步对点号进行审查,只有当点号与记忆的遥控选择点号一致且未出界,装置才发命令驱动相应的出口继电器。
测试步骤:将保护装置的远方/就地开关调到远方位置(就地闭锁远方操作),在监控系统中由鼠标点击对应装置的开关,保护装置显示动作。动作后进入装置遥信状态遥信有变位,动作后主接线图显示此开关状态为:红色闪烁,点击画面中的告警确认终止闪烁。
附录:保护装置定值范围及压板说明
1、WXH-822微机线路保护装置
定值整定信息
装置可存储8套定值,对应的定值区号为0~7。整定时,未使用的保护功能应退出压板,使用的保护功能投入压板,并对相关的控制字、电流、电压及时限定值进行整定。
WXH-821定值范围见下表:
WXH-822微机线路保护装置定值范围
定值种类 |
定值项目(符号) |
整定范围及步长 |
1.电流Ⅰ段保护 |
电流Ⅰ段定值(Idz1) |
0.1In~20In,0.01A |
电流Ⅰ段时限(T1) |
0s~100s,0.01s |
电流Ⅰ段电压定值(Udz1) |
2.0V~100V,0.01V |
-30°灵敏角投退(ALM1) |
1(-30°)/0(-45°) |
电流Ⅰ段电压投退(UBS1) |
1(投入)/0(退出) |
电流Ⅰ段方向投退(DBS1) |
1(投入)/0(退出) |
闭锁重合闸(BSchz) |
1(投入)/0(退出) |
2.电流II段保护 |
电流II段定值(Idz2) |
0.1In~20In,0.01A |
电流II段时限(T2) |
0s~100s,0.01s |
电流II段电压定值(Udz2) |
2.0V~100V,0.01V |
-30°灵敏角投退(ALM2) |
1(-30°)/0(-45°) |
电流II段电压投退(UBS2) |
1(投入)/0(退出) |
电流II段方向投退(DBS2) |
1(投入)/0(退出) |
3.电流Ⅲ段保护 |
电流Ⅲ段定值(Idz3) |
0.1In~20In,0.01A(投反时限时范围为0.1In~3In) |
延时方式(YSFS) |
0~3,1(0为定时限,1~3分别对应一般反时限,非常反时限,极端反时限) |
电流Ⅲ段时限(T3) |
0s~100s,0.01s(投反时限时范围为0.05s~1s) |
电流Ⅲ段电压定值(Udz3) |
2.0V~100V,0.01V |
-30°灵敏角投退(ALM3) |
1(-30°)/0(-45°) |
电流Ⅲ段电压投退(UBS3) |
1(投入)/0(退出) |
电流Ⅲ段方向投退(DBS3) |
1(投入)/0(退出) |
4.过流加速保护(前加速或后加速) |
过流加速定值(Ijs) |
0.1In~20In,0.01A |
过流加速时限(Tjs) |
0s~100s,0.01s |
前加速方式投退(QJS) |
0(后加速)/1(前加速) |
5.三相一次重合闸 |
重合闸时限(Tch) |
0.3s~10s,0.01s |
重合闸无压值(Udzch) |
4V~100V,0.01V |
重合闸同期角(Ach) |
5°~50°,0.01° |
重合闸方式(Mch) |
0(无检定)/1(检无压有压转检同期)/2(检同期)/3(检无压有压不合闸) |
抽取电压相别(TUx) |
0(Ua)/1(Ub)/2(Uc)/3(Uab)/4(Ubc)/5(Uca) |
遥控合闸方式(Myh) |
0(无检定)/1(检无压有压转检同期)/2(检同期)/3(检无压有压不合闸) |
6.零序电流保护(R1版) |
零序电流定值(I0dz) |
0.02A~12A,0.01A |
零序电流时限(T0) |
0s~100s,0.01s |
零序电流跳闸(I0TZ) |
1(投入)/0(退出) |
7.零流I段 保护(R2版) |
零流I段定值(I0dz1) |
0.02I0n~20I0n,0.01A |
零流I段时限(T01) |
0s~100s,0.01s |
8.零流II段保护(R2版) |
零流II段定值(I0dz2) |
0.02I0n~20I0n,0.01A |
零流II段时限(T02) |
0s~100s,0.01s |
9.零流III段保护(R2版) |
零流III段定值(I0dz3) |
0.02I0n~20I0n,0.01A |
零流III段时限(T03) |
0s~100s,0.01s |
零流III段跳闸(I03TZ) |
1(投入)/0(退出) |
10.零流加速保护(前加速或后加速)(R2版) |
零流加速定值(I0js) |
0.02I0n~20I0n,0.01A |
零流加速时限(T0js) |
0s~100s,0.01s |
前加速方式投退(QJS) |
0(后加速)/1(前加速) |
11.低频减载 |
动作频率(f) |
45Hz~49.5Hz,0.01Hz |
动作时限(Tf) |
0s~100s,0.01s |
闭锁电压定值(Ubf) |
10V~90V,0.01V |
闭锁电流定值(Ibf) |
0.1In~2In,0.01A |
电流闭锁(DI) |
1(投入)/0(退出) |
滑差定值(Df/t) |
0.3Hz/s~10Hz/s,0.01Hz/s |
滑差闭锁(DF) |
1(投入)/0(退出) |
12.过负荷保护 |
过负荷定值(Igfh) |
0.1In~20In,0.01A |
过负荷时限(Tgfh) |
0s~600s,0.01s |
过负荷跳闸(GFHTZ) |
1(投入)/0(退出) |
13.低电压保护 |
低电压定值(Udz) |
4V~90V,0.01V |
低电压时限(Tdy) |
0s~100s,0.01s |
滑差定值(Du/t) |
20V/s~120V/s,0.01V/s |
滑差闭锁(DU) |
1(投入)/0(退出) |
14.TV断线检测 |
TV断线投退(TV) |
1(投入)/0(退出) |
相关保护投退(BH) |
1(投入)/0(退出) |
注:WXH822R1保护顺序依次为1,2,3,4,5,6,11,12,13,14 WXH822R2保护顺序依次为1,2,3,4,5,7,8,9,10,11,12,13,14 I0n=5A时,零序电流取自产零序电流 |
WXH-822微机线路保护装置压板信息
WXH-822微机线路保护软压板信息
压板名称 |
控制字 |
电流Ⅰ段压板 |
投入/退出 |
电流Ⅱ段压板 |
投入/退出 |
电流Ⅲ段压板 |
投入/退出 |
过流加速压板 |
投入/退出 |
重合闸压板 |
投入/退出 |
零序电流压板(R1版) |
投入/退出 |
零流I段压板(R2版) |
投入/退出 |
零流II段压板(R2版) |
投入/退出 |
零流III段压板(R2版) |
投入/退出 |
零流加速压板(R2版) |
投入/退出 |
低频减载压板 |
投入/退出 |
过负荷压板 |
投入/退出 |
低电压压板 |
投入/退出 |
2、WDR-821微机电容器保护装置
WDR-821微机电容器保护装置定值范围及说明
装置可存储8套定值,对应的定值区号为0~7。整定时,未使用的保护功能应退出压板,使用的保护功能投入压板,并对相关的控制字、电流、电压及时限定值进行整定。
WDR-821微机电容器保护装置定值
定值种类 |
定值项目(符号) |
整定范围及步长 |
1 电流Ⅰ段保护 |
电流Ⅰ段定值(Idz1) |
0.1In~20In,0.01A |
电流Ⅰ段时限(T1) |
0s~100s,0.01s |
2 电流II段保护 |
电流II段定值(Idz2) |
0.1In~20In,0.01A |
电流II段时限(T2) |
0s~100s,0.01s |
3 电流III段保护 |
电流III段定值(Idz3) |
0.1In~20In,0.01A |
电流III段时限(T3) |
0s~100s,0.01s |
4 过电压保护 |
过电压定值(Ugydz) |
100V~160V,0.01V |
过电压时限(Tgy) |
0s~100s,0.01s |
过电压跳闸投入(GYTZ) |
1:跳闸 0:告警 |
5 低电压保护 |
低电压定值(Udydz) |
2V~70V,0.01V |
低电压时限(Tdy) |
0s~100s,0.01s |
低压有流闭锁定值(Idydz) |
0.04In~2In,0.01A |
低压有流闭锁投退(IBS) |
1:投入 0:退出 |
6 不平衡电流 |
不平衡电流定值(Ipidz) |
0.04In~20In,0.01A |
不平衡电流时限(Tpi) |
0s~100s,0.01s |
7 不平衡电压 |
不平衡电压定值(Upudz) |
2V~120V,0.01V |
不平衡电压时限(Tpu) |
0s~100s,0.01s |
8 零序电流保护 |
零序电流定值(I0dz) |
0.02A~12A,0.01A |
零序电流时限(T0) |
0s~100s,0.01s |
零序电流跳闸(LLTZ) |
1:跳闸 0:告警 |
9 TV断线检测 |
TV断线检测投退(TV) |
1:投入 0:退出 |
10 非电量保护1 |
非电量1时限(Tfd1) |
0s~100s,0.01s |
非电量1跳闸(FDL1TZ) |
1:跳闸 0:告警 |
11非电量保护2 |
非电量2时限(Tfd2) |
0s~100s,0.01s |
非电量2跳闸(FDL2TZ) |
1:跳闸 0:告警 |
WDR-821微机电容器保护装置压板信息
WDR-821微机电容器保护装置压板
压板名称 |
控制字 |
电流Ⅰ段压板 |
投入/退出 |
电流Ⅱ段压板 |
投入/退出 |
电流Ⅲ段压板 |
投入/退出 |
过电压压板 |
投入/退出 |
低电压压板 |
投入/退出 |
不平衡电流压板 |
投入/退出 |
不平衡电压压板 |
投入/退出 |
零序电流压板 |
投入/退出 |
非电量1压板 |
投入/退出 |
非电量2压板 |
投入/退出 |
3、WDH-821微机电动机保护装置
WDH-821微机电动机器保护装置定值范围及说明
装置可存储8套定值,对应的定值区号为0~7。整定时,未使用的保护功能应退出压板,使用的保护功能投入压板,并对相关的控制字、电流、电压及时限定值进行整定。
WDH-821微机电动机器保护装置定值
定值种类 |
定值项目(符号) |
整定范围及步长 |
1 起动超时保护 |
额定电流定值(Ie) |
0.1In~4In,0.01A |
起动时间(Tqd) |
0.5s~600s,0.01s |
跳闸控制字(QDTZ) |
1(投入)/0(退出) |
2 电流I段保护 |
电流Ⅰ段定值(Idl1) |
0.1In~20In,0.01A |
电流Ⅰ段时限(Tdl1) |
0.0s~100s,0.01s |
起动电流倍数(Kqd) |
1.0~4.0,0.01 |
3 电流II段保护 |
电流Ⅱ段定值(Idl2) |
0.1In~20In,0.01A |
电流Ⅱ段时限(Tdl2) |
0.0s~100s,0.01s |
4 反时限保护 |
反时限电流定值(Ifsx) |
0.1In~4In,0.01A |
反时限时间常数(Tfsx) |
0.0s~10s,0.01s |
起动时电流倍数(Kfsx) |
1.0~4.0,0.01 |
延时方式 (YSFS) |
0~2,1 |
5 负序I段保护 |
负序Ⅰ段电流定值(Ifx1) |
0.1In~20In,0.01A |
负序Ⅰ段时限(Tfx1) |
0.0s~100s,0.01s |
6 负序II段保护 |
负序II段电流定值(Ifx2) |
0.1In~20In,0.01A(投反时限时范围为0.1In~4In) |
负序II段时限(Tfx2) |
0.0s~100s,0.01s(投反时限时范围为0.05s~10s) |
跳闸控制字(FX2T) |
1(投入)/0(退出) |
反时限控制字(FSX) |
1(投入)/0(退出) |
7 零序电流保护 |
零序定值(Ilx) |
0.02A~12A,0.01A |
零序时限(Tlx) |
0.0s~100s,0.01s |
跳闸控制字(LXTZ) |
1(投入)/0(退出) |
8 低电压保护 |
低电压定值(Udy) |
2V~100V,0.01V |
低电压时限(Tdy) |
0.0s~100s,0.01s |
9 过电压保护 |
过电压定值(Ugy) |
100V~160V,0.01V |
过电压时限(Tgy) |
0.0s~100s,0.01s |
10 过负荷保护 |
过负荷电流定值(Igfh) |
0.1In~4In,0.01A |
过负荷时限(Tgfh) |
0.0s~600s,0.01s |
跳闸控制字(GFHTZ) |
1(投入)/0(退出) |
11 过热保护 |
发热时间常数(Tfr) |
0.01min~100min, 0.01min |
散热系数(Ksr) |
0.01~10, 0.01 |
负序发热系数(Kfxfr) |
3.0~10.0, 0.01 |
热预告警水平(Krgj) |
30%~95%, 0.01% |
两相TA投退(TA2) |
1(投入)/0(退出) |
12 FC回路保护 |
FC回路限流定值(Ixl) |
0.2In~20In,0.01A |
13 非电量1保护 |
非电量1时限(Tfd1) |
0.0s~100s,0.01s |
跳闸控制字(FD1TZ) |
1(投入)/0(退出) |
14 非电量2保护 |
非电量2时限(Tfd2) |
0.0s~100s,0.01s |
跳闸控制字(FD2TZ) |
1(投入)/0(退出) |
15 TV断线检测 |
TV断线投退(TV) |
1(投入)/0(退出) |
闭锁相关保护(TVBS) |
1(投入)/0(退出) |
WDH-821微机电动机器保护装置压板信息
WDH-821微机电动机器保护装置压板
压板名称 |
控制字 |
起动超时保护 |
投入/退出 |
电流Ⅰ段保护 |
投入/退出 |
电流II段保护 |
投入/退出 |
反时限保护 |
投入/退出 |
负序Ⅰ段保护 |
投入/退出 |
负序II段保护 |
投入/退出 |
零序电流保护 |
投入/退出 |
低电压保护 |
投入/退出 |
过电压保护 |
投入/退出 |
过负荷保护 |
投入/退出 |
过热保护 |
投入/退出 |
FC回路保护 |
投入/退出 |
非电量1保护 |
投入/退出 |
非电量2保护 |
投入/退出 |